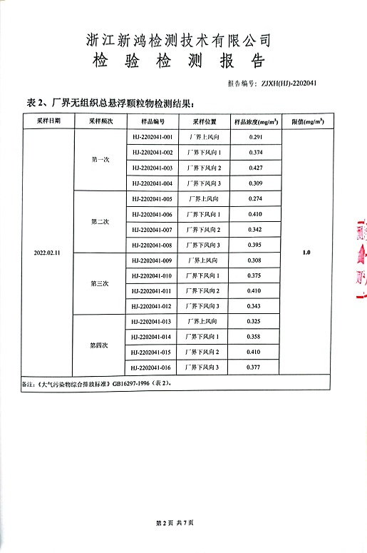
檢測報告Inspection center
報告名稱:中華熱電2022.2月廢氣檢測報告








檢測報告
- 中華熱電26年1季度廠界檢測...
- 中華化工26年1季度廢氣檢測...
- 中華化工26年1季度廠界檢測...
- 中華化工、縱華26年1季度廢...
- 中華化工、縱華、豐杰26年1...
- 中華熱電26年1季度噪聲檢測...
- 中華熱電26年1月廢氣檢測報...
- 中華熱電26年1月廢水檢測報...
- 山東汶華香料有限公司13000...
- 山東汶華香料有限公司13000...
- 縱華12月廢氣檢測報告
- 中華熱電12月廢氣檢測報告
- 中華熱電12月廢水檢測報告
- 縱華11月檢測報告
- 中華熱電11月廢氣檢測報告
- 中華熱電11月廢水檢測報告
- 中華化工下半年檢測報告
- 中華化工4季度檢測報告
- 中華化工廠界4季度檢測報告
- 縱華10月廢氣檢測報告
- 中華化工4季度廢水檢測報告
- 中華化工噪聲4季度檢測報告
- 中華熱電噪聲4季度檢測報告
- 中華熱電廠界4季度檢測報告
- 中華熱電10月廢氣檢測報告
- 中華熱電10月廢水檢測報告
- 縱華9月廢氣檢測報告
- 中華熱電3季度廠界檢測報告
- 中華熱電3季度噪聲檢測報告
- 中華熱電9月廢氣檢測報告




浙公網(wǎng)安備:33041102000251號